产品介绍:
颜色:白,红,蓝,黄
绝缘套材质:热缩管
端头材质:低温锡
适用线径:16-14AWG/1.5-2.5mm2
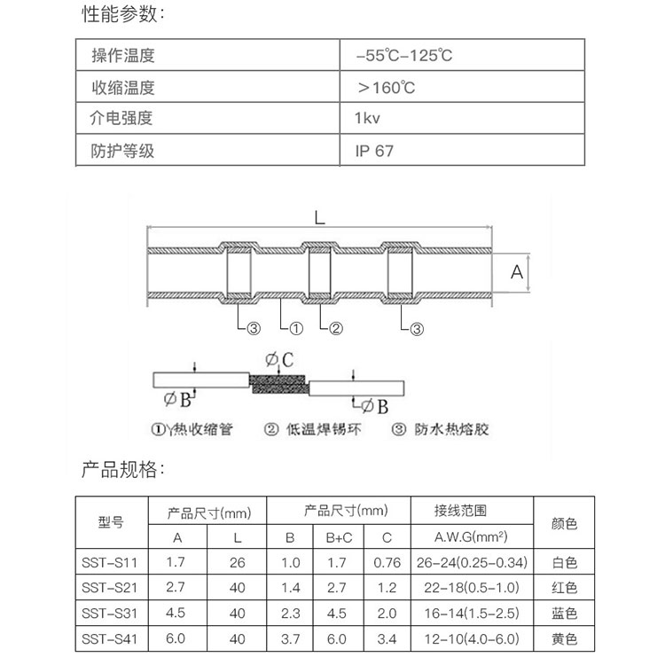
温度范围:工作温度:-55℃-125℃,开始收缩温度:80℃,焊锡开始溶解温度:138℃,焊锡完全溶解温度:160℃
特点:防水,防漏电,抗震性更强,接线牢固不易松动
适用方法:去掉电线需要连接部分的保护层,将一端电线插入接线端子,将另一股线拧紧,加热收缩热缩管即可
应用:导线连接
尺寸:

2026.4.11 东莞市龙三塑胶标准件制造有限公司 18028982331 李小姐(微信同号) QQ:2885534373 邮箱:601@93parts.com